AW21/AW21X轴承首页 >NSK轴承> AW21/AW21X

NSK AW21/AW21X轴承

标签:NSK  AW21/AW21X
我公司专业销售NSKAW21/AW21X轴承,能为客户提供各种轴承技术服务,NSKAW21/AW21X轴承尺寸参数均为准确参数,如需了解轴承代号,基本尺寸,轴承AW21/AW21X安装尺寸,基本额定载荷,精度等级,装配,轴承的图纸、样品、价格或者替换产品等最新资料请联系我们!
此型号公司有部分现货库存,如需要订购或了解最新库存情况可随时致电我司销售部! NSK轴承代理商为您推荐:52202、23152BK+H3152、23038BK+AH3038、29417-E1、23996CAK/W33、NU2305、NA6905、LRTZ253031、

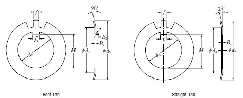
AW21/AW21X轴承样本图纸

NSK 螺母垫圈0AW21/AW21X样本图片

AW21/AW21X轴承尺寸参数

  • 系列
    螺母垫圈10
  • 型号
    AW21/AW21X
  • NumbersNominal型号
    • Bent-Tab带弯舌式
    • Straight-Tab带直线舌式
    • AW21
    • AW21 X
  • Washer Series AW 垫圈系列AW
    • Basic Dimensions标准尺寸
    • No. ofTeet齿数
    • Mass (kg)approxper 100 pcs每一百个参考重量
    • d3
    • M
    • f1
    • B1
    • f
    • d4
    • d5
    • r
    • 2
    •  
    •  
    • 105
    • 100.5
    • 12
    • 1.8
    • 12
    • 126
    • 145
    • 1.2
    • 6
    • 19
    • 8.25
  • Reference参考
    • Adapter (1)Sleeve BoreDia. Numbers 紧定衬套内径代号
    • NutNumbers螺母型号
    • ShaftDia.轴径
    •  
    •  
    •  
    • 21
    • AN 21
    • 105
  • 螺母垫圈10 AW21/AW21X 系列图片

我公司特价供应以下型号产品:  234720 推力球轴承   22308C 调心滚子轴承   LRT354030 滚针轴承内圈   S7024FB/P7 角接触球轴承   7044C/DF 角接触球轴承   61826N 深沟球轴承   71908C/DT 角接触球轴承   230S.1300 调心滚子轴承   HCB7206-C-2RSD-T-P4S 主轴轴承  

AW21/AW21NSK轴承近似型号

用户近期搜索较多的热门型号

关闭
18021619717 0512-57922999 工作日:8:30-18:00