
| 聚合物球轴承,单列球轴承, POM/POM/stainless steel/PA66 | ||||||||
|
|
||||||||
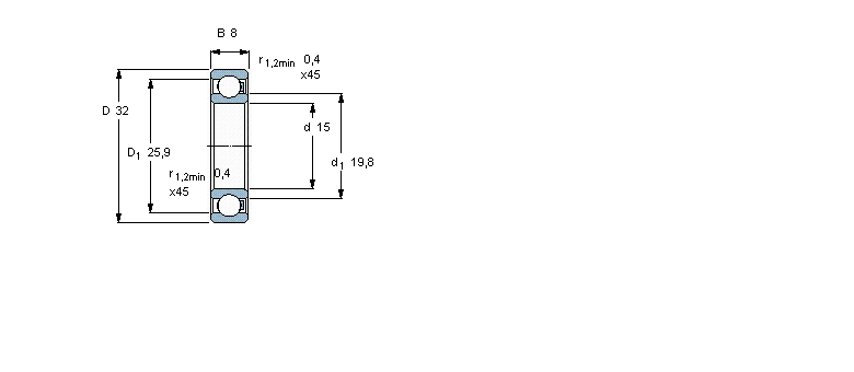
| 主要数据尺寸 | 负荷能力 | 额定速度 | 体积 | 型号 | ||||
| d | D | B | 动态 1) | 静态 2) | 最大 3) | 最大 | - | |
| 1) above 50 °C and/or above 20 % | 3) Consider load carrying | |||||||
| of max speed rating consider | capability reduction according | |||||||
| reduction according to diagram | to diagram | |||||||
| 2) above 50 °C consider | ||||||||
| reduction according to diagram | ||||||||
|
|
||||||||
| mm | kN | r/min | kg | - | ||||
|
|
||||||||
| 15 | 32 | 8 | 0,19 | 0,13 | 1500 | 0,0080 | 16002/HR11TN | |
我公司特价供应以下型号产品: 60/28DDU 深沟球轴承 5S-BNT200 主轴用精密角接触球轴承 30226J2 圆锥滚子轴承 32315 圆锥滚子轴承 5210A 角接触球轴承 K35X45X20 滚针及保持架组件 7311B 角接触球轴承 45284/45221 单列圆锥滚子轴承 07100/07204 圆锥滚子轴承