
| 聚合物球轴承,单列球轴承, POM/POM/stainless steel/PA66 | ||||||||
|
|
||||||||
| 主要数据尺寸 | 负荷能力 | 额定速度 | 体积 | 型号 | ||||
| d | D | B | 动态 1) | 静态 2) | 最大 3) | 最大 | - | |
| 1) above 50 °C and/or above 20 % | 3) Consider load carrying | |||||||
| of max speed rating consider | capability reduction according | |||||||
| reduction according to diagram | to diagram | |||||||
| 2) above 50 °C consider | ||||||||
| reduction according to diagram | ||||||||
|
|
||||||||
| mm | kN | r/min | kg | - | ||||
|
|
||||||||
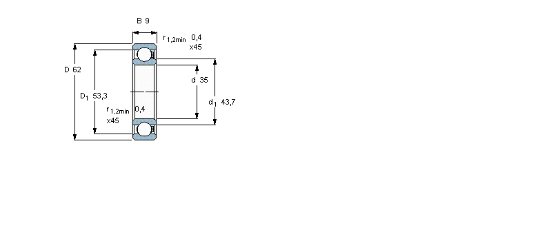
| 35 | 62 | 9 | 0,41 | 0,27 | 800 | 0,032 | 16007/HR11TN | |
我公司特价供应以下型号产品: LRB242816 滚针轴承内圈 IR22X28X17 其它 314964 圆柱滚子轴承 C6913V CARB圆环滚子轴承 YAR205-2FW/VA228 Y-轴承 NUP2222-E-TVP2 圆柱滚子轴承 7240C/DB 角接触球轴承 13890/13836 单列圆锥滚子轴承 6312-ZN 深沟球轴承