
| 球面滚子轴承, 圆柱和圆锥孔, 圆锥型内孔, 无密封件 | ||||||||||
| 公差 , 参见文字 | ||||||||||
| 径向内部间隙, 圆柱型内孔 , 圆锥型内孔, 无密封件 , 参见文字 | ||||||||||
| 推荐配合 | ||||||||||
| 轴和轴承座公差 | ||||||||||
|
|
||||||||||
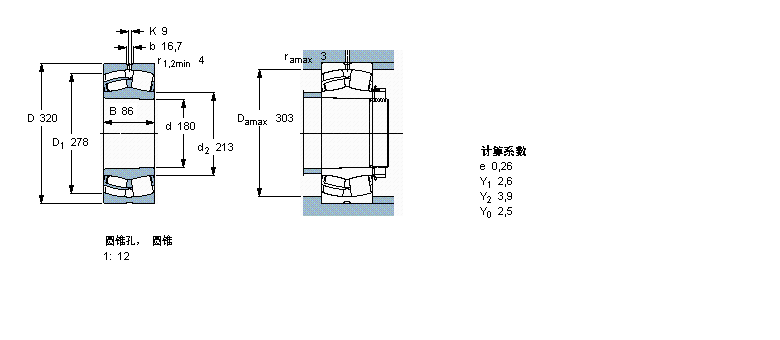
| 主要数据尺寸 | 基本负荷额定值 | 疲劳负荷限值 | 额定速度 | 体积 | 型号 | |||||
| 动态 | 静态 | 参照速度 | 限制速度 | |||||||
| d | D | B | C | C0 | Pu | * - SKF Explorer 轴承 | ||||
|
|
||||||||||
| mm | kN | kN | r/min | kg | - | |||||
|
|
||||||||||
| 180 | 320 | 86 | 1180 | 1560 | 140 | 1800 | 2600 | 29,0 | 22236 CCK/W33 * | |
我公司特价供应以下型号产品: HC7028-C-T-P4S 主轴轴承 22215B 调心滚子轴承 K22×26×13 滚针轴承 22211EX 球面滚子轴承 635ZZ 深沟球轴承 H2324 紧定套 NF206 圆柱滚子轴承 6005 深沟球轴承 27684/27620 圆锥滚子轴承