
| 球面滚子轴承, 圆柱和圆锥孔, 圆柱型内孔, 无密封件 | ||||||||||
| 公差 , 参见文字 | ||||||||||
| 径向内部间隙, 圆柱型内孔 , 圆锥型内孔, 无密封件 , 参见文字 | ||||||||||
| 推荐配合 | ||||||||||
| 轴和轴承座公差 | ||||||||||
|
|
||||||||||
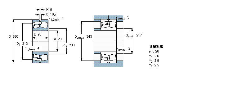
| 主要数据尺寸 | 基本负荷额定值 | 疲劳负荷限值 | 额定速度 | 体积 | 型号 | |||||
| 动态 | 静态 | 参照速度 | 限制速度 | |||||||
| d | D | B | C | C0 | Pu | * - SKF Explorer 轴承 | ||||
|
|
||||||||||
| mm | kN | kN | r/min | kg | - | |||||
|
|
||||||||||
| 200 | 360 | 98 | 1460 | 1930 | 166 | 1600 | 2200 | 43,5 | 22240 CC/W33 * | |
我公司特价供应以下型号产品: BT4-8113E2/C500 圆锥滚子轴承 47T503524 四列圆锥滚子轴承 29322EX 球面滚子推力轴承 L630349/L630310 单列圆锥滚子轴承 HCS7017-E-T-P4S 主轴轴承 CF18VUU 螺栓型滚轮滚针轴承 KH913849-H913810 圆锥滚子轴承 JHH221436/JHH221413 单列圆锥滚子轴承 T4DB200 圆锥滚子轴承