
| 球面滚子轴承, 圆柱和圆锥孔, 圆锥型内孔, 用于振动场合 | ||||||||||
| 公差 , 参见文字 | ||||||||||
| 径向内部间隙, 圆柱型内孔 , 圆锥型内孔, 无密封件 , 参见文字 | ||||||||||
| 推荐配合 | ||||||||||
| 轴和轴承座公差 | ||||||||||
|
|
||||||||||
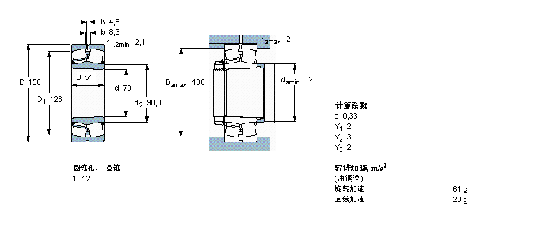
| 主要数据尺寸 | 基本负荷额定值 | 疲劳负荷限值 | 额定速度 | 体积 | 型号 | |||||
| 动态 | 静态 | 参照速度 | 限制速度 | |||||||
| d | D | B | C | C0 | Pu | * - SKF Explorer 轴承 | ||||
|
|
||||||||||
| mm | kN | kN | r/min | kg | - | |||||
|
|
||||||||||
| 70 | 150 | 51 | 400 | 430 | 45 | 3400 | 4500 | 4,45 | 22314 EK/VA405 * | |
我公司特价供应以下型号产品: 16026 深沟球轴承 EGBZ0608-E40 衬套 2201-2RS-TVH 自调心球轴承 7304B 角接触球轴承 16038 深沟球轴承 BSA206CG 角接触推力球轴承 for screw drives 6032-RS 深沟球轴承 NUP2236E 圆柱滚子轴承 HF338 圆柱滚子轴承