
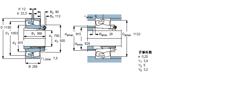
| 球面滚子轴承, 带紧定套的 | ||||||||||
| 公差 , 参见文字 | ||||||||||
| 径向内部游隙 , 参见文字 | ||||||||||
| 推荐配合 | ||||||||||
| 轴和轴承座公差 | ||||||||||
|
|
||||||||||
| 主要数据尺寸 | 基本负荷额定值 | 疲劳负荷限值 | 额定速度 | 体积 | 型号 | |||||
| 动态 | 静态 | 参照速度 | 限制速度 | 轴承 + 紧定套 | ||||||
| d1 | D | B | C | C0 | Pu | |||||
| * - SKF Explorer 轴承 | ||||||||||
|
|
||||||||||
| mm | kN | kN | r/min | kg | - | |||||
|
|
||||||||||
| 750 | 1150 | 258 | 10000 | 20000 | 1160 | 280 | 480 | 1200 | 230/800 CAK/W33 + OH 30/800 H * | |
我公司特价供应以下型号产品: BCH913-P 闭式冲压外圈滚针轴承 NU2244EX.M1 圆柱滚子轴承 760/752D 双外圈圆锥滚子轴承 NU313 圆柱滚子轴承 7303AC/DF 角接触球轴承 SIL30ES 需要维护的杆端 RAE30-NPP-NR 外球面球轴承 HCB71915-E-2RSD-T-P4S 主轴轴承 7040DB 角接触球轴承