
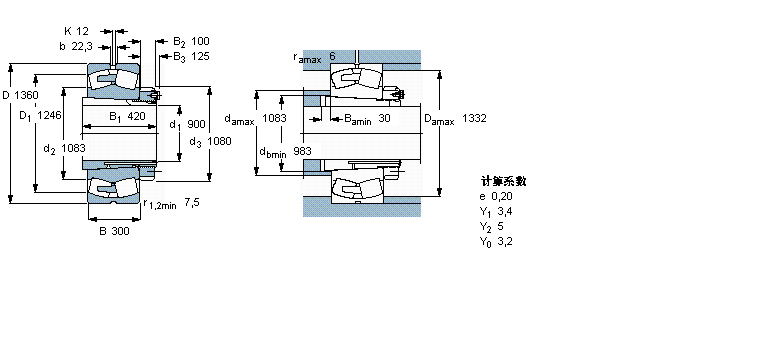
| 球面滚子轴承, 带紧定套的 | ||||||||||
| 公差 , 参见文字 | ||||||||||
| 径向内部游隙 , 参见文字 | ||||||||||
| 推荐配合 | ||||||||||
| 轴和轴承座公差 | ||||||||||
|
|
||||||||||
| 主要数据尺寸 | 基本负荷额定值 | 疲劳负荷限值 | 额定速度 | 体积 | 型号 | |||||
| 动态 | 静态 | 参照速度 | 限制速度 | 轴承 + 紧定套 | ||||||
| d1 | D | B | C | C0 | Pu | |||||
|
|
||||||||||
| mm | kN | kN | r/min | kg | - | |||||
|
|
||||||||||
| 900 | 1360 | 300 | 12000 | 28500 | 1600 | 200 | 380 | 1870 | 230/950 CAK/W33 + OH 30/950 H | |
我公司特价供应以下型号产品: 7040DB 角接触球轴承 HH255149D/HH255110 角接触球轴承 PWM202430 FW轴套 15113/15245 单列圆锥滚子轴承 BK3020 滚针轴承 NJ2968ECMA 圆柱滚子轴承 N203E.TVP2 圆柱滚子轴承 595/593X 单列圆锥滚子轴承 NUP2310EM 圆柱滚子轴承