
| 球面滚子轴承, 圆柱和圆锥孔, 圆柱型内孔, 无密封件 | ||||||||||
| 公差 , 参见文字 | ||||||||||
| 径向内部间隙, 圆柱型内孔 , 圆锥型内孔, 无密封件 , 参见文字 | ||||||||||
| 推荐配合 | ||||||||||
| 轴和轴承座公差 | ||||||||||
|
|
||||||||||
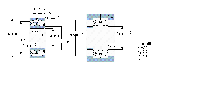
| 主要数据尺寸 | 基本负荷额定值 | 疲劳负荷限值 | 额定速度 | 体积 | 型号 | |||||
| 动态 | 静态 | 参照速度 | 限制速度 | |||||||
| d | D | B | C | C0 | Pu | * - SKF Explorer 轴承 | ||||
|
|
||||||||||
| mm | kN | kN | r/min | kg | - | |||||
|
|
||||||||||
| 110 | 170 | 45 | 310 | 440 | 46,5 | 3400 | 4300 | 3,80 | 23022 CC/W33 * | |
我公司特价供应以下型号产品: 618/500TN9 深沟球轴承 21315EAKE4 调心滚子轴承 52230M 推力球轴承 NNU49/600B/W33 圆柱滚子轴承 2306E-2RS1TN9 自调心球轴承 SY1.FM Y-型立式轴承座单元 22252-B-K-MB+AH2252G 调心滚子轴承 89FC66324 四列圆柱滚子轴承 7328B.MP 角接触球轴承