
| 球面滚子轴承, 带紧定套的 | ||||||||||
| 公差 , 参见文字 | ||||||||||
| 径向内部游隙 , 参见文字 | ||||||||||
| 推荐配合 | ||||||||||
| 轴和轴承座公差 | ||||||||||
|
|
||||||||||
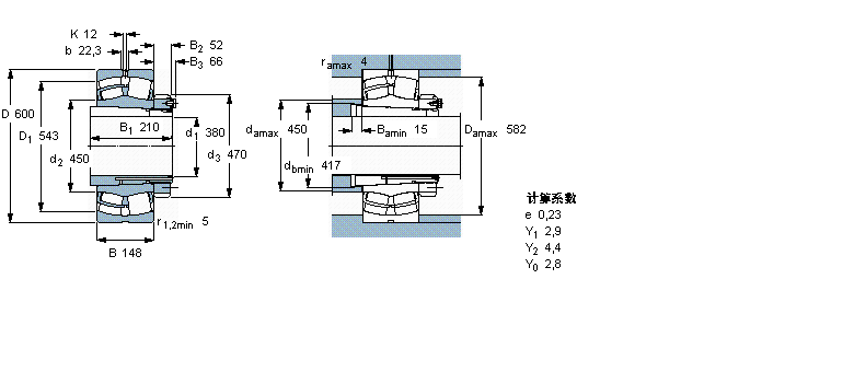
| 主要数据尺寸 | 基本负荷额定值 | 疲劳负荷限值 | 额定速度 | 体积 | 型号 | |||||
| 动态 | 静态 | 参照速度 | 限制速度 | 轴承 + 紧定套 | ||||||
| d1 | D | B | C | C0 | Pu | |||||
| * - SKF Explorer 轴承 | ||||||||||
|
|
||||||||||
| mm | kN | kN | r/min | kg | - | |||||
|
|
||||||||||
| 380 | 600 | 148 | 3250 | 5700 | 400 | 850 | 1100 | 180 | 23080 CCK/W33 + OH 3080 H * | |
我公司特价供应以下型号产品: RNAF6138N 滚针轴承 FLCTE12 轴承座单元 23036-E1A-M 调心滚子轴承 239/800-B-K-MB+H39/800 调心滚子轴承 NX30-Z 滚针/推力球轴承 05079/05185-B 带法兰单列圆锥滚子轴承 21307-E1-K-TVPB+H307 调心滚子轴承 23128-E1A-M 调心滚子轴承 NNU4976 圆柱滚子轴承