
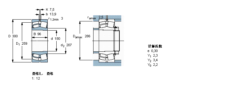
| 球面滚子轴承, 圆柱和圆锥孔, 圆锥型内孔, 无密封件 | ||||||||||
| 公差 , 参见文字 | ||||||||||
| 径向内部间隙, 圆柱型内孔 , 圆锥型内孔, 无密封件 , 参见文字 | ||||||||||
| 推荐配合 | ||||||||||
| 轴和轴承座公差 | ||||||||||
|
|
||||||||||
| 主要数据尺寸 | 基本负荷额定值 | 疲劳负荷限值 | 额定速度 | 体积 | 型号 | |||||
| 动态 | 静态 | 参照速度 | 限制速度 | |||||||
| d | D | B | C | C0 | Pu | * - SKF Explorer 轴承 | ||||
|
|
||||||||||
| mm | kN | kN | r/min | kg | - | |||||
|
|
||||||||||
| 180 | 300 | 96 | 1200 | 1760 | 160 | 1700 | 2200 | 27,0 | 23136 CCK/W33 * | |
我公司特价供应以下型号产品: PWM607040 FW轴套 GE60-SX 角接触关节轴承 6010-2RS 深沟球轴承 6210LU 深沟球轴承 609/1000MB 深沟球轴承 BTM110A/HCP4CDBA 双向 NNU4924-S-M-P5-C3 圆柱滚子轴承 HC7028-C-T-P4S 主轴轴承 22215B 调心滚子轴承