
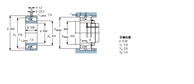
| 球面滚子轴承, 圆柱和圆锥孔, 圆柱型内孔, 无密封件 | ||||||||||
| 公差 , 参见文字 | ||||||||||
| 径向内部间隙, 圆柱型内孔 , 圆锥型内孔, 无密封件 , 参见文字 | ||||||||||
| 推荐配合 | ||||||||||
| 轴和轴承座公差 | ||||||||||
|
|
||||||||||
| 主要数据尺寸 | 基本负荷额定值 | 疲劳负荷限值 | 额定速度 | 体积 | 型号 | |||||
| 动态 | 静态 | 参照速度 | 限制速度 | |||||||
| d | D | B | C | C0 | Pu | * - SKF Explorer 轴承 | ||||
|
|
||||||||||
| mm | kN | kN | r/min | kg | - | |||||
|
|
||||||||||
| 500 | 920 | 336 | 10600 | 17300 | 1060 | 360 | 500 | 985 | 232/500 CA/W33 * | |
我公司特价供应以下型号产品: GIKPSR16-PS 杆端轴承 22215CDK 调心滚子轴承 32321A+T2GD105 圆锥滚子轴承 6204NR 深沟球轴承 RAY17 轴承座单元 CR8-1R 英制螺栓型滚轮滚针 6903ZZ 深沟球轴承 2876/02823D 双外圈圆锥滚子轴承 KTV10.51415EG 滚针保持架组件