
| 球面滚子轴承, 圆柱和圆锥孔, 圆锥型内孔, 无密封件 | ||||||||||
| 公差 , 参见文字 | ||||||||||
| 径向内部间隙, 圆柱型内孔 , 圆锥型内孔, 无密封件 , 参见文字 | ||||||||||
| 推荐配合 | ||||||||||
| 轴和轴承座公差 | ||||||||||
|
|
||||||||||
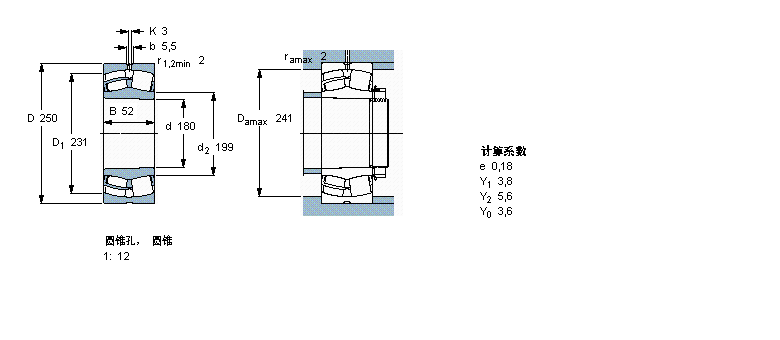
| 主要数据尺寸 | 基本负荷额定值 | 疲劳负荷限值 | 额定速度 | 体积 | 型号 | |||||
| 动态 | 静态 | 参照速度 | 限制速度 | |||||||
| d | D | B | C | C0 | Pu | |||||
|
|
||||||||||
| mm | kN | kN | r/min | kg | - | |||||
|
|
||||||||||
| 180 | 250 | 52 | 431 | 830 | 76,5 | 2200 | 2800 | 7,65 | 23936 CCK/W33 | |
我公司特价供应以下型号产品: NK65/25 滚针轴承 64450/64700 圆锥滚子轴承 7008AC/DF 角接触球轴承 GE40ES-2LS 需要维护的径向球面滑动轴承 23032HRK+H3032 调心滚子轴承 SL185030 圆柱滚子轴承 FY40TF 带座外球面球轴承 GE65-214-KTT-B 外球面球轴承 NJ309-E-TVP2+HJ309E 圆柱滚子轴承