
| 球面滚子轴承, 带紧定套的 | ||||||||||
| 公差 , 参见文字 | ||||||||||
| 径向内部游隙 , 参见文字 | ||||||||||
| 推荐配合 | ||||||||||
| 轴和轴承座公差 | ||||||||||
|
|
||||||||||
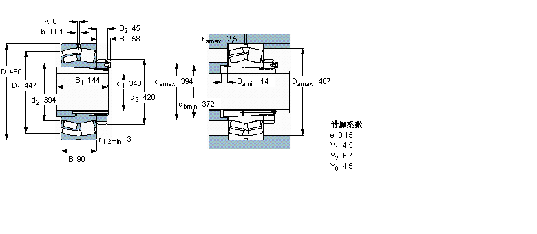
| 主要数据尺寸 | 基本负荷额定值 | 疲劳负荷限值 | 额定速度 | 体积 | 型号 | |||||
| 动态 | 静态 | 参照速度 | 限制速度 | 轴承 + 紧定套 | ||||||
| d1 | D | B | C | C0 | Pu | |||||
| * - SKF Explorer 轴承 | ||||||||||
|
|
||||||||||
| mm | kN | kN | r/min | kg | - | |||||
|
|
||||||||||
| 340 | 480 | 90 | 1400 | 2750 | 220 | 1200 | 1300 | 70,5 | 23972 CCK/W33 + OH 3972 H * | |
我公司特价供应以下型号产品: 53203+U203 推力深沟球轴承 EGB1020-E40-B 衬套 NU2026ECMA 圆柱滚子轴承 NU230E 圆柱滚子轴承 6000-2RZ 深沟球轴承 PASE2 直立式轴承座单元 627/HR22T2 聚合物球轴承 K81113-TV 推力圆柱滚子和保持架组件 1380/1328 单列圆锥滚子轴承