
| 球面滚子轴承, 圆柱和圆锥孔, 圆柱型内孔, 无密封件 | ||||||||||
| 公差 , 参见文字 | ||||||||||
| 径向内部间隙, 圆柱型内孔 , 圆锥型内孔, 无密封件 , 参见文字 | ||||||||||
| 推荐配合 | ||||||||||
| 轴和轴承座公差 | ||||||||||
|
|
||||||||||
| 主要数据尺寸 | 基本负荷额定值 | 疲劳负荷限值 | 额定速度 | 体积 | 型号 | |||||
| 动态 | 静态 | 参照速度 | 限制速度 | |||||||
| d | D | B | C | C0 | Pu | |||||
|
|
||||||||||
| mm | kN | kN | r/min | kg | - | |||||
|
|
||||||||||
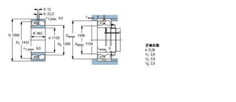
| 1120 | 1580 | 462 | 18700 | 50000 | 2850 | 130 | 240 | 2925 | 240/1120 CAF/W33 | |
我公司特价供应以下型号产品: 432313U 双列圆锥滚子轴承 HSS71902-E-T-P4S 主轴轴承 23060CAK+H3060 调心滚子轴承 HCB71910-E-2RSD-T-P4S 主轴轴承 61915-RZ 深沟球轴承 7098/07204-B 带法兰单列 PCJT60-N 轴承座单元 NJG2316VH 圆柱滚子轴承 51152FP 推力球轴承