
| 球面滚子轴承, 圆柱和圆锥孔, 圆柱型内孔, 无密封件 | ||||||||||
| 公差 , 参见文字 | ||||||||||
| 径向内部间隙, 圆柱型内孔 , 圆锥型内孔, 无密封件 , 参见文字 | ||||||||||
| 推荐配合 | ||||||||||
| 轴和轴承座公差 | ||||||||||
|
|
||||||||||
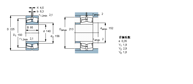
| 主要数据尺寸 | 基本负荷额定值 | 疲劳负荷限值 | 额定速度 | 体积 | 型号 | |||||
| 动态 | 静态 | 参照速度 | 限制速度 | |||||||
| d | D | B | C | C0 | Pu | * - SKF Explorer 轴承 | ||||
|
|
||||||||||
| mm | kN | kN | r/min | kg | - | |||||
|
|
||||||||||
| 140 | 225 | 85 | 765 | 1160 | 112 | 1600 | 2200 | 13,5 | 24128 CC/W33 * | |
我公司特价供应以下型号产品: NAF153212 滚针轴承 3219 角接触球轴承 33124JR 圆锥滚子轴承 AS100135 推力滚子轴承 7313C/DF 角接触球轴承 30318DU 圆锥滚子轴承 K36990-36920 圆锥滚子轴承 609 深沟球轴承 21320CCK 调心滚子轴承