
| 球面滚子轴承, 圆柱和圆锥孔, 圆锥型内孔, 无密封件 | ||||||||||
| 公差 , 参见文字 | ||||||||||
| 径向内部间隙, 圆柱型内孔 , 圆锥型内孔, 无密封件 , 参见文字 | ||||||||||
| 推荐配合 | ||||||||||
| 轴和轴承座公差 | ||||||||||
|
|
||||||||||
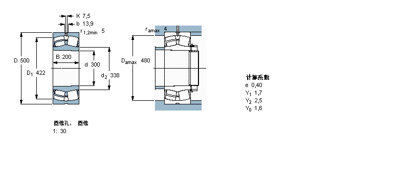
| 主要数据尺寸 | 基本负荷额定值 | 疲劳负荷限值 | 额定速度 | 体积 | 型号 | |||||
| 动态 | 静态 | 参照速度 | 限制速度 | |||||||
| d | D | B | C | C0 | Pu | * - SKF Explorer 轴承 | ||||
|
|
||||||||||
| mm | kN | kN | r/min | kg | - | |||||
|
|
||||||||||
| 300 | 500 | 200 | 3750 | 6300 | 465 | 560 | 800 | 160 | 24160 CCK30/W33 * | |
我公司特价供应以下型号产品: 4T-3576/3525 英制圆锥滚子轴承 6215-ZN 深沟球轴承 CRH64VUUR 英制螺栓型滚轮滚针 RAL012-NPP 外球面球轴承 4T-835/832 英制圆锥滚子轴承 47T714827-1 四列圆锥滚子轴承 61907 深沟球轴承 6022-RS 深沟球轴承 482/472 圆锥滚子轴承