
| 球面滚子轴承, 圆柱和圆锥孔, 圆柱型内孔, 无密封件 | ||||||||||
| 公差 , 参见文字 | ||||||||||
| 径向内部间隙, 圆柱型内孔 , 圆锥型内孔, 无密封件 , 参见文字 | ||||||||||
| 推荐配合 | ||||||||||
| 轴和轴承座公差 | ||||||||||
|
|
||||||||||
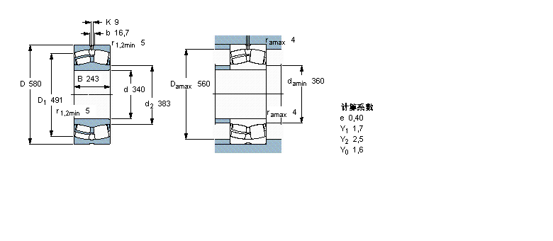
| 主要数据尺寸 | 基本负荷额定值 | 疲劳负荷限值 | 额定速度 | 体积 | 型号 | |||||
| 动态 | 静态 | 参照速度 | 限制速度 | |||||||
| d | D | B | C | C0 | Pu | * - SKF Explorer 轴承 | ||||
|
|
||||||||||
| mm | kN | kN | r/min | kg | - | |||||
|
|
||||||||||
| 340 | 580 | 243 | 5300 | 8650 | 630 | 430 | 630 | 280 | 24168 ECCJ/W33 * | |
我公司特价供应以下型号产品: BT4-8035G/HA1 圆锥滚子轴承 6026-2Z 深沟球轴承 BCH98 闭式冲压外圈滚针轴承 NU1016 圆柱滚子轴承 02878/02823D 双列圆锥滚子轴承 LM104949/LM104911 圆锥滚子轴承 HC7013-C-T-P4S 主轴轴承 NJ419 圆柱滚子轴承 60062RU 深沟球轴承