
| 球面滚子轴承, 圆柱和圆锥孔, 圆柱型内孔, 无密封件 | ||||||||||
| 公差 , 参见文字 | ||||||||||
| 径向内部间隙, 圆柱型内孔 , 圆锥型内孔, 无密封件 , 参见文字 | ||||||||||
| 推荐配合 | ||||||||||
| 轴和轴承座公差 | ||||||||||
|
|
||||||||||
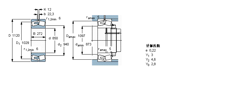
| 主要数据尺寸 | 基本负荷额定值 | 疲劳负荷限值 | 额定速度 | 体积 | 型号 | |||||
| 动态 | 静态 | 参照速度 | 限制速度 | |||||||
| d | D | B | C | C0 | Pu | * - SKF Explorer 轴承 | ||||
|
|
||||||||||
| mm | kN | kN | r/min | kg | - | |||||
|
|
||||||||||
| 850 | 1120 | 272 | 9300 | 22800 | 1370 | 220 | 400 | 740 | 249/850 CA/W33 * | |
我公司特价供应以下型号产品: 6308-ZNR 深沟球轴承 7336AC 角接触球轴承 41125/286 圆锥滚子轴承 HJ424 圆柱滚子轴承 22344CCJA/W33VA405 球面滚子轴承 6321LU 深沟球轴承 7230C/DF 角接触球轴承 6316N 深沟球轴承 29236E 球面滚子推力轴承