
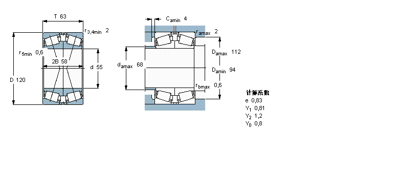
| 圆锥滚子轴承, 单列,面对面配对 | ||||||||||
| 公差 , 参见文字 | ||||||||||
| 轴向内部间隙, 参见文字 | ||||||||||
| 推荐配合 | ||||||||||
| 轴和轴承座公差 | ||||||||||
|
|
||||||||||
| 主要数据尺寸 | 基本负荷额定值 | 疲劳负荷限值 | 额定速度 | 体积 | 型号 | |||||
| 动态 | 静态 | 参照速度 | 限制速度 | |||||||
| d | D | T | C | C0 | Pu | |||||
|
|
||||||||||
| mm | kN | kN | r/min | kg | - | |||||
|
|
||||||||||
| 55 | 120 | 63 | 209 | 275 | 33,5 | 3000 | 5600 | 3,30 | 31311 J2/QDF | |
我公司特价供应以下型号产品: RMEO40 轴承座单元 H3128L 紧定套 NJ314 圆柱滚子轴承 RNA49/14 滚针轴承 31312J2/Q 圆锥滚子轴承 31311J2/QDF 圆锥滚子轴承 NX15Z 滚针组合轴承 NA6914U 滚针轴承 7310A 角接触球轴承