
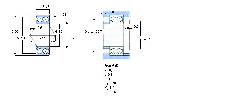
| 角接触球轴承, 双列, 两面防尘罩 | ||||||||||
| 公差 , 参见文字 | ||||||||||
| 轴向内部间隙, a), b), 参见文字 | ||||||||||
| 推荐配合 | ||||||||||
| 轴和轴承座公差 | ||||||||||
|
|
||||||||||
| 主要数据尺寸 | 基本负荷额定值 | 疲劳负荷限值 | 额定速度 | 体积 | 型号 | |||||
| 动态 | 静态 | 参照速度 | 限制速度 | |||||||
| d | D | B | C | C0 | Pu | |||||
|
|
||||||||||
| mm | kN | kN | r/min | kg | - | |||||
|
|
||||||||||
| 15 | 35 | 15,9 | 11,2 | 6,8 | 0,285 | 17000 | 18000 | 0,066 | 3202 A-2ZTN9/MT33 | |
我公司特价供应以下型号产品: GIHNRK160-LO 液压杆端轴承 EGW48-E40 推力垫圈 N1016 圆柱滚子轴承 6332-M 深沟球轴承 GE20-FO-2RS 关节轴承 7603040TVP 推力角接触球轴承 6009-Z 深沟球轴承 6904 深沟球轴承 7315-B-JP 角接触球轴承