
| 圆锥滚子轴承, 单列,面对面配对 | ||||||||||
| 公差 , 参见文字 | ||||||||||
| 轴向内部间隙, 参见文字 | ||||||||||
| 推荐配合 | ||||||||||
| 轴和轴承座公差 | ||||||||||
|
|
||||||||||
| 主要数据尺寸 | 基本负荷额定值 | 疲劳负荷限值 | 额定速度 | 体积 | 型号 | |||||
| 动态 | 静态 | 参照速度 | 限制速度 | |||||||
| d | D | T | C | C0 | Pu | |||||
|
|
||||||||||
| mm | kN | kN | r/min | kg | - | |||||
|
|
||||||||||
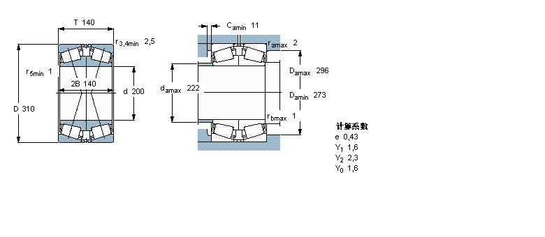
| 200 | 310 | 140 | 1280 | 2750 | 255 | 1100 | 1900 | 39,0 | 32040 X/DF | |
我公司特价供应以下型号产品: 71913ACE/P4A 角接触球轴承 K48×53×17 滚针轴承 BA148Z 冲压滚针轴承 22318CCK/W33 调心滚子轴承 51117 推力球轴承 LR5208-2RS 滚轮 NJ2332-E-M1+HJ2332E 圆柱滚子轴承 16018 深沟球轴承 BC2B319943 圆柱滚子轴承