
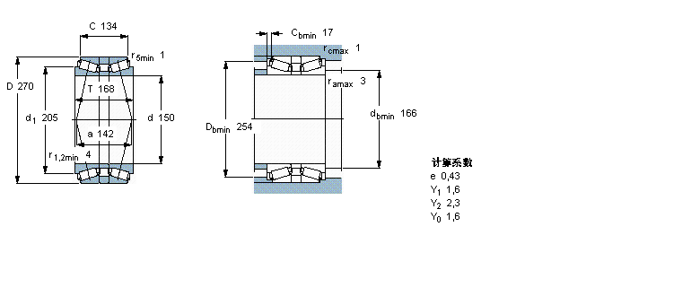
| 圆锥滚子轴承, 单列,背对背配对 | ||||||||||
| 公差 , 参见文字 | ||||||||||
| 轴向内部间隙, 参见文字 | ||||||||||
| 推荐配合 | ||||||||||
| 轴和轴承座公差 | ||||||||||
|
|
||||||||||
| 主要数据尺寸 | 基本负荷额定值 | 疲劳负荷限值 | 额定速度 | 体积 | 型号 | |||||
| 动态 | 静态 | 参照速度 | 限制速度 | |||||||
| d | D | B | C | C0 | Pu | |||||
|
|
||||||||||
| mm | kN | kN | r/min | kg | - | |||||
|
|
||||||||||
| 150 | 270 | 168 | 1250 | 2280 | 224 | 1400 | 2400 | 38,0 | 32230T168 J2/DB | |
我公司特价供应以下型号产品: H-14118/H-14283 圆锥滚子轴承 28137/28317 单列圆锥滚子轴承 7817CDB 角接触球轴承 B7018C.O 角接触球轴承 F-803011.PRL 调心滚子轴承 K14×20×12 滚针轴承 30228T106J2/DB 圆锥滚子轴承 7012C 角接触球轴承 K34306-34478 圆锥滚子轴承