
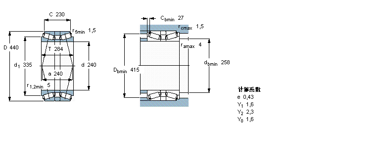
| 圆锥滚子轴承, 单列,背对背配对 | ||||||||||
| 公差 , 参见文字 | ||||||||||
| 轴向内部间隙, 参见文字 | ||||||||||
| 推荐配合 | ||||||||||
| 轴和轴承座公差 | ||||||||||
|
|
||||||||||
| 主要数据尺寸 | 基本负荷额定值 | 疲劳负荷限值 | 额定速度 | 体积 | 型号 | |||||
| 动态 | 静态 | 参照速度 | 限制速度 | |||||||
| d | D | B | C | C0 | Pu | |||||
|
|
||||||||||
| mm | kN | kN | r/min | kg | - | |||||
|
|
||||||||||
| 240 | 440 | 284 | 3300 | 6550 | 550 | 800 | 1400 | 175 | 32248T284 J2/HA1DB | |
我公司特价供应以下型号产品: 53414 推力球轴承 7005ADT 角接触球轴承 24068CAE4 调心滚子轴承 VSA250855-N 四点接触球轴承 81600/81963CD 双外圈圆锥滚子轴承 7316B/DT 角接触球轴承 6811 深沟球轴承 6215-Z 深沟球轴承 NUP2238 圆柱滚子轴承