
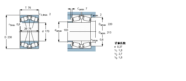
| 圆锥滚子轴承, 单列,面对面配对 | ||||||||||
| 公差 , 参见文字 | ||||||||||
| 轴向内部间隙, 参见文字 | ||||||||||
| 推荐配合 | ||||||||||
| 轴和轴承座公差 | ||||||||||
|
|
||||||||||
| 主要数据尺寸 | 基本负荷额定值 | 疲劳负荷限值 | 额定速度 | 体积 | 型号 | |||||
| 动态 | 静态 | 参照速度 | 限制速度 | |||||||
| d | D | T | C | C0 | Pu | |||||
|
|
||||||||||
| mm | kN | kN | r/min | kg | - | |||||
|
|
||||||||||
| 170 | 230 | 76 | 484 | 1160 | 110 | 1500 | 2800 | 9,20 | 32934/DFC225 | |
我公司特价供应以下型号产品: 7017DT 角接触球轴承 51222 推力球轴承 NUP2219ET 圆柱滚子轴承 32026X 圆锥滚子轴承 BT2B332752 圆锥滚子轴承 LRTZ758345 滚针轴承内圈 222SM340-MA 调心滚子轴承 6307-2RZ 深沟球轴承 N209 圆柱滚子轴承