
| 角接触球轴承, 双列, 两面密封件 | ||||||||||
| 公差 , 参见文字 | ||||||||||
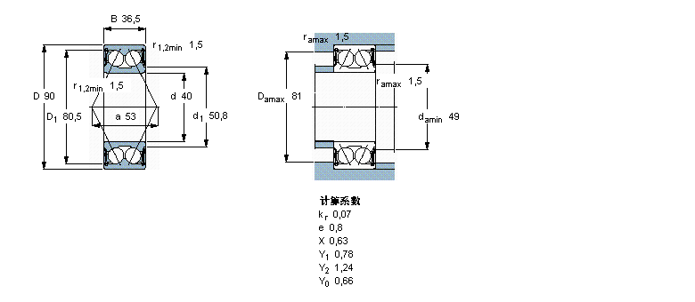
| 轴向内部间隙, a), b), 参见文字 | ||||||||||
| 推荐配合 | ||||||||||
| 轴和轴承座公差 | ||||||||||
|
|
||||||||||
| 主要数据尺寸 | 基本负荷额定值 | 疲劳负荷限值 | 额定速度 | 体积 | 型号 | |||||
| 动态 | 静态 | 参照速度 | 限制速度 | |||||||
| d | D | B | C | C0 | Pu | * - SKF Explorer 轴承 | ||||
|
|
||||||||||
| mm | kN | kN | r/min | kg | - | |||||
|
|
||||||||||
| 40 | 90 | 36,5 | 64 | 44 | 1,86 | - | 5000 | 0,93 | 3308 A-2RS1TN9/MT33 * | |
我公司特价供应以下型号产品: 6211/HR22Q2 聚合物球轴承 5312ZZ 角接触球轴承 6311-RZ 深沟球轴承 K89444-M 推力圆柱滚子和保持架组件 JM624649/JM624610-B 带法兰单列 EGB13560-E40 衬套 100FC67450A-3 四列圆柱滚子轴承 7915A5DF 角接触球轴承 7212CDT 角接触球轴承