
| 推力球轴承, 单向 | |||||||||||
| 公差 , 参见文字 | |||||||||||
| 推荐配合 | |||||||||||
| 轴和轴承座公差 | |||||||||||
|
|
|||||||||||
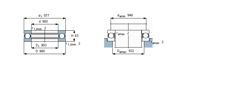
| 主要数据尺寸 | 基本负荷额定值 | 疲劳负荷限值 | 最小负荷系数 | 额定速度 | 体积 | 型号 | |||||
| 动态 | 静态 | 参照速度 | 限制速度 | ||||||||
| d | D | H | C | C0 | Pu | A | |||||
|
|
|||||||||||
| mm | kN | kN | - | r/min | kg | - | |||||
|
|
|||||||||||
| 900 | 980 | 63 | 527 | 4900 | 58,5 | 120 | 480 | 670 | 49,0 | 510/900 M | |
我公司特价供应以下型号产品: 32017T66X/QDB/C280 圆锥滚子轴承 ZKLN1545-2RS 推力角接触球轴承 BT4B331089A/HA4 圆锥滚子轴承 29392E.MB 推力滚子轴承 623 微型非标深沟球轴承 RASEY90 直立式轴承座单元 81102-TV 推力圆柱滚子轴承 AH3180 推卸套 234422B 推力球轴承