
| 聚合物球轴承,单列球轴承, PP/PP/glass/PP | ||||||||
|
|
||||||||
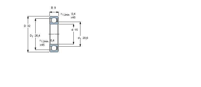
| 主要数据尺寸 | 负荷能力 | 额定速度 | 体积 | 型号 | ||||
| d | D | B | 动态 1) | 静态 2) | 最大 3) | 最大 | - | |
| 1) above 50 °C and/or above 20 % | 3) Consider load carrying | |||||||
| of max speed rating consider | capability reduction according | |||||||
| reduction according to diagram | to diagram | |||||||
| 2) above 50 °C consider | ||||||||
| reduction according to diagram | ||||||||
|
|
||||||||
| mm | kN | r/min | kg | - | ||||
|
|
||||||||
| 15 | 32 | 9 | 0,14 | 0,11 | 1320 | 0,0074 | 6002/HR22Q2 | |
我公司特价供应以下型号产品: K35X45X20 滚针及保持架组件 7311B 角接触球轴承 45284/45221 单列圆锥滚子轴承 07100/07204 圆锥滚子轴承 87737/87112D 双外圈圆锥滚子轴承 22236CC/W33 调心滚子轴承 K155x163x26 滚针轴承 3313 角接触球轴承 60/22VV 深沟球轴承