
| 深沟球轴承, 用于高温的深沟球轴承, 无密封件 | ||||||||
| 公差 , 参见文字 | ||||||||
| 径向内部间隙, 参见文字 | ||||||||
| 推荐配合 | ||||||||
| 轴和轴承座公差 | ||||||||
|
|
||||||||
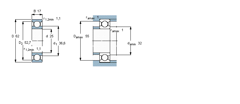
| 主要数据尺寸 | 基本负荷额定值 | 径向内部游隙 | 体积 | 型号 | ||||
| 静态 | ||||||||
| d | D | B | C0 | 最小 | 最大 | |||
|
|
||||||||
| mm | kN | μm | kg | - | ||||
|
|
||||||||
| 25 | 62 | 17 | 11,6 | 120 | 212 | 0,23 | 6305/VA201 | |
我公司特价供应以下型号产品: RNAO40X50X34 滚针轴承 61811-Z 深沟球轴承 GEZ308TXE-2LS 免维护径向球面滑动轴承 NF216 圆柱滚子轴承 NA4852 滚针轴承 61816-ZN 深沟球轴承 1217-K-TVH-C3 自调心球轴承 B7032C.X 角接触球轴承 22248BK+AH2248 带推卸套的调心滚子轴承