
| 圆柱滚子推力轴承, 轴承 / 圆柱滚子和保持架止推组件 | ||||||||||||
| 公差 , 参见文字 | ||||||||||||
| 推荐配合 | ||||||||||||
| 轴和轴承座公差 | ||||||||||||
|
|
||||||||||||
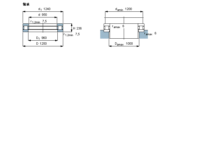
| 主要数据尺寸 | 基本负荷额定值 | 疲劳负荷限值 | 最小负荷系数 | 额定速度 | 体积 | 型号 | ||||||
| 动态 | 静态 | 参照速度 | 限制速度 | 轴承 | 圆柱滚子和保持架止推组件 | |||||||
| d | D | H | C | C0 | Pu | A | ||||||
|
|
||||||||||||
| mm | kN | kN | - | r/min | kg | - | ||||||
|
|
||||||||||||
| 950 | 1250 | 236 | 10000 | 58500 | 3150 | 270 | 90 | 180 | 805 | 812/950 M | - | |
我公司特价供应以下型号产品: NNU4984BK/W33 圆柱滚子轴承 7330BDF 角接触球轴承 23256 英制圆锥滚子轴承 16015 深沟球轴承 3806-B-2Z-TVH 角接触球轴承 NN3008ASK.M 圆柱滚子轴承 23134BKD1 调心滚子轴承 1309EK+H309 调心球轴承 NATR25-PP 支撑型滚轮