
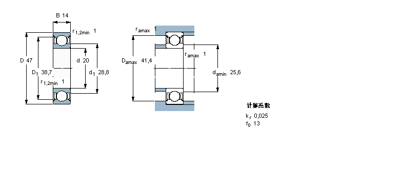
| 深沟球轴承, 单列, SKF Energy Efficient (E2) bearings | ||||||||||
| 公差, 参见文字 | ||||||||||
| 径向内部游隙 , 参见文字 | ||||||||||
| 推荐配合 | ||||||||||
| 轴和轴承座公差 | ||||||||||
| 
             | 
        
||||||||||
| 主要数据尺寸 | 基本负荷额定值 | 疲劳负荷限值 | 额定速度 | 体积 | 型号 | |||||
| 动态 | 静态 | 参照速度 | 限制速度 | |||||||
| d | D | B | C | C0 | Pu | |||||
| 
             | 
        
||||||||||
| mm | kN | kN | r/min | kg | - | |||||
| 
             | 
        
||||||||||
| 20 | 47 | 14 | 12,7 | 6,55 | 0,275 | 35000 | 19000 | 0,11 | E2.6204-2Z/C3 | |
我公司特价供应以下型号产品: 23226-E1A-K-M+AHX3226G 调心滚子轴承 6226Z 深沟球轴承 NX20 滚针/推力球轴承 BT2-8166/HA1 圆锥滚子轴承 E-625926 四列圆锥滚子轴承 EGB2010-E40 衬套 H3956 紧定套 22244BK+AH2244 带推卸套的调心滚子轴承 6919Z 深沟球轴承