
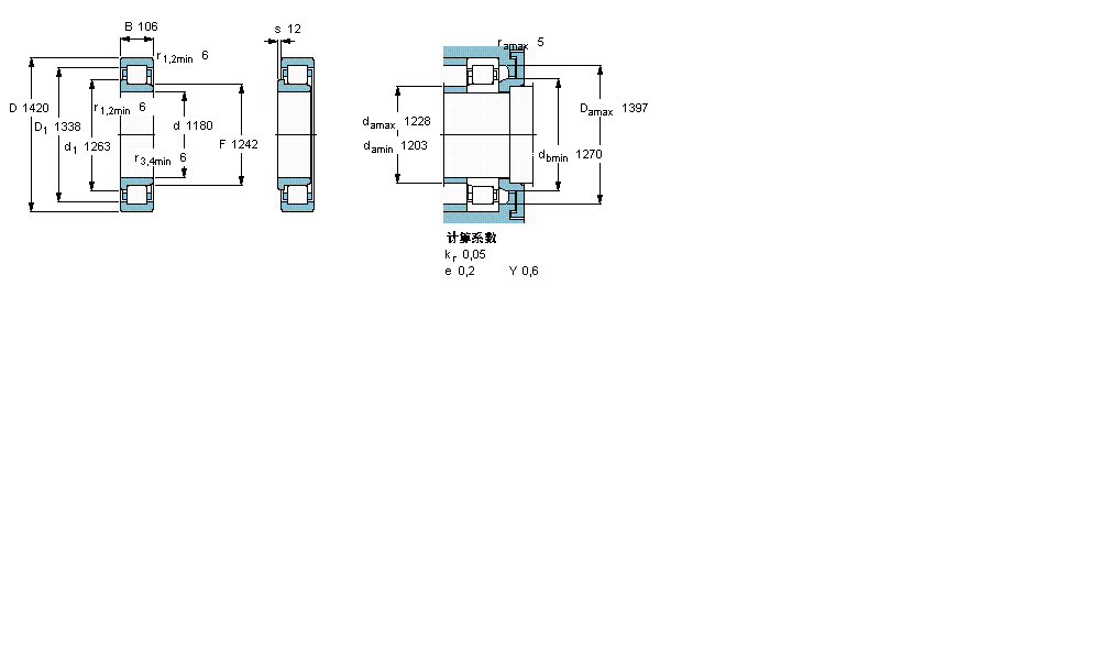
| 圆柱滚子轴承, 单列, NJ 设计 | ||||||||||||
| 公差 , 参见文字 | ||||||||||||
| 径向内部间隙, 圆柱型内孔 , 圆锥型内孔, 无密封件 , 参见文字 | ||||||||||||
| 推荐配合 | ||||||||||||
| 轴和轴承座公差 | ||||||||||||
|
|
||||||||||||
| 主要数据尺寸 | 基本负荷额定值 | 疲劳负荷限值 | 额定速度 | 体积 | 型号 | 适宜的斜挡圈 | ||||||
| 动态 | 静态 | 参照速度 | 限制速度 | 型号 | ||||||||
| d | D | B | C | C0 | Pu | |||||||
|
|
||||||||||||
| mm | kN | kN | r/min | kg | - | - | ||||||
|
|
||||||||||||
| 1180 | 1420 | 106 | 3030 | 7800 | 455 | 260 | 320 | 350 | NJ 18/1180 ECMA | - | ||
我公司特价供应以下型号产品: 6215LB 深沟球轴承 22264-K-MB 调心滚子轴承 N203 圆柱滚子轴承 L521949/L521914 单列圆锥滚子轴承 N1092 圆柱滚子轴承 CSXF050 薄截面轴承 7234CD/DF 角接触球轴承 NCF2960V.C3 圆柱滚子轴承 33208/QCL7C 圆锥滚子轴承