
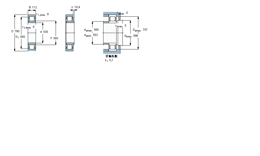
| 圆柱滚子轴承, 单列, NU 设计 | ||||||||||||
| 公差 , 参见文字 | ||||||||||||
| 径向内部间隙, 圆柱型内孔 , 圆锥型内孔, 无密封件 , 参见文字 | ||||||||||||
| 推荐配合 | ||||||||||||
| 轴和轴承座公差 | ||||||||||||
|
|
||||||||||||
| 主要数据尺寸 | 基本负荷额定值 | 疲劳负荷限值 | 额定速度 | 体积 | 型号 | 适宜的斜挡圈 | ||||||
| 动态 | 静态 | 参照速度 | 限制速度 | 型号 | ||||||||
| d | D | B | C | C0 | Pu | |||||||
|
|
||||||||||||
| mm | kN | kN | r/min | kg | - | - | ||||||
|
|
||||||||||||
| 530 | 780 | 112 | 2290 | 4050 | 305 | 800 | 1000 | 190 | NU 10/530 MA | - | ||
我公司特价供应以下型号产品: 6314-ZN 深沟球轴承 52430 推力球轴承 NU2332 圆柱滚子轴承 7915A5 角接触球轴承 ZARF40100TN 滚针组合轴承 70TMP74 推力圆柱滚子轴承 7307-B-TVP 角接触球轴承 HSS7003E.T.P4S.UL 角接触球轴承 22344EW33K+H2344 调心滚子轴承