
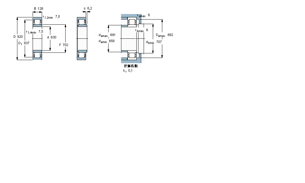
| 圆柱滚子轴承, 单列, NU 设计 | ||||||||||||
| 公差 , 参见文字 | ||||||||||||
| 径向内部间隙, 圆柱型内孔 , 圆锥型内孔, 无密封件 , 参见文字 | ||||||||||||
| 推荐配合 | ||||||||||||
| 轴和轴承座公差 | ||||||||||||
|
|
||||||||||||
| 主要数据尺寸 | 基本负荷额定值 | 疲劳负荷限值 | 额定速度 | 体积 | 型号 | 适宜的斜挡圈 | ||||||
| 动态 | 静态 | 参照速度 | 限制速度 | 型号 | ||||||||
| d | D | B | C | C0 | Pu | |||||||
|
|
||||||||||||
| mm | kN | kN | r/min | kg | - | - | ||||||
|
|
||||||||||||
| 630 | 920 | 128 | 3410 | 6200 | 430 | 630 | 850 | 285 | NU 10/630 ECMA/HA2 | - | ||
我公司特价供应以下型号产品: NKJ40/30A 滚针轴承 S71924DB/P7 角接触球轴承 71911C/DT 角接触球轴承 KR5204-2RS 螺栓型滚轮 W2-1/4 推力深沟球轴承 7310C 角接触球轴承 CR16 英制螺栓型滚轮滚针 29415 推力滚子轴承 EGB2030-E40 衬套