
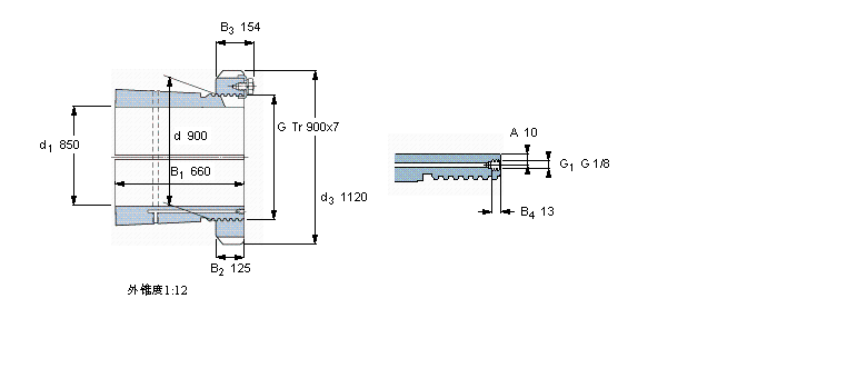
| 紧定套 | ||||||||||
|
|
||||||||||
| 尺寸 | 体积 | 型号 | ||||||||
| 紧定轴套带螺母 | 锁定螺母 | 锁定装置 | 适宜的液压 | |||||||
| d1 | d | d3 | B1 | G | 和锁紧装置 | 螺母 | ||||
|
|
||||||||||
| mm | kg | - | ||||||||
|
|
||||||||||
| 850 | 900 | 1120 | 660 | Tr 900x7 | 776 | OH 32/900 H | HM 31/900 | MS 31/900 | HMV 180 E | |
我公司特价供应以下型号产品: 7224CDT 角接触球轴承 23248R 球面滚子轴承 SYL1.1/2TH Y-型立式轴承座单元 6224Z 深沟球轴承 K81213-TV 推力圆柱滚子和保持架组件 2306-2RS-TVH 自调心球轴承 NJ416-M1 圆柱滚子轴承 7340BDT 角接触球轴承 857/854 单列圆锥滚子轴承