
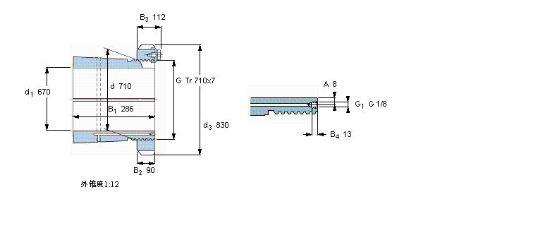
| 紧定套 | ||||||||||
|
|
||||||||||
| 尺寸 | 体积 | 型号 | ||||||||
| 紧定轴套带螺母 | 锁定螺母 | 锁定装置 | 适宜的液压 | |||||||
| d1 | d | d3 | B1 | G | 和锁紧装置 | 螺母 | ||||
|
|
||||||||||
| mm | kg | - | ||||||||
|
|
||||||||||
| 670 | 710 | 830 | 286 | Tr 710x7 | 183 | OH 39/710 H | HM 30/710 | MS 30/710 | HMV 142 E | |
我公司特价供应以下型号产品: 24032-2CS5/VT143 球面滚子轴承 5210A-2NS 角接触球轴承 2×7210BEGAM 角接触球轴承 52311 推力深沟球轴承 NUP2318-E-TVP2 圆柱滚子轴承 N1019KTNHA/HC5SP 圆柱滚子轴承 592A 英制圆锥滚子轴承 07079X/7204 单列圆锥滚子轴承 IR25X30X18 其它