

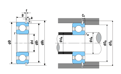
轴承代号: NACHI 6920NR - 带止动环深沟球轴承
轴承尺寸
d = 100额定动负荷: 37000
额定静负荷: 36500
极限转速(润滑脂润滑):
极限转速(油润滑)
我公司特价供应以下型号产品: 23092BK+AHX3092 带推卸套的调心滚子轴承 6806VV 深沟球轴承 IR17X22X23 其它 6000-2Z 深沟球轴承 CSXU100-2RS 薄截面轴承 RNA4920 滚针轴承 GAKR14-PW 杆端轴承 618/530MA 深沟球轴承 NAX7040Z 组合滚针轴承