QJ321轴承首页 >NTN轴承> QJ321

NTN QJ321轴承

标签:NTN  QJ321
我公司专业销售NTNQJ321轴承,能为客户提供各种轴承技术服务,NTNQJ321轴承尺寸参数均为准确参数,如需了解轴承轴承的图纸、样品、价格或者替换产品等最新资料请联系我们!
此型号公司有部分现货库存,如需要订购或了解最新库存情况可随时致电我司销售部! NTN轴承代理商为您推荐:EE749260/749336、60152RS、7305CDB、54208U、HF0812-R、T-E-8576D/8520/8520D、HM88649/HM88611AS、UCF210-200D1、

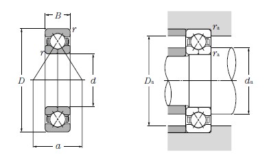
QJ321轴承样本图纸

NTN 双列角接触球QJ321样本图片

QJ321轴承尺寸参数

基本参数
系列
双列角接触球轴承1
型号
QJ321
主要尺寸(mm)
d
105
D
225
B
49
r smin 1
3
额定基本负荷
动负荷 Ca/kN
273
静负荷 Coa/kN
585
动负荷 Ca/kgf
27900
静负荷 Coa/kgf
59500
允许转速(rpm)
脂润滑
2,400
油润滑
3,200
轴承号
QJ321
安装相关尺寸(mm)
da 最小
119
Da 最大
211
r as最大
2.5
作用点(mm)
95.5
重量 4 (kg)
(大约)
10.4

我公司特价供应以下型号产品:  7319C/DT 角接触球轴承   53311U 推力球轴承   7217DF 角接触球轴承   HR30207J 圆锥滚子轴承   N1044 圆柱滚子轴承   NJ348-E-M1+HJ348E 圆柱滚子轴承   7028AC/DF 角接触球轴承   S7008ACD/P4A 角接触球轴承   7208B/DF 角接触球轴承  

QJ321NTN轴承近似型号

用户近期搜索较多的热门型号

关闭
18021619717 0512-57922999 工作日:8:30-18:00