
| 自调心球轴承, 圆柱孔和圆锥孔, 圆柱型内孔, 无密封件 | ||||||||||
| 公差 , 参见文字 | ||||||||||
| 径向内部游隙 , 参见文字 | ||||||||||
| 推荐配合 | ||||||||||
| 轴和轴承座公差 | ||||||||||
|
|
||||||||||
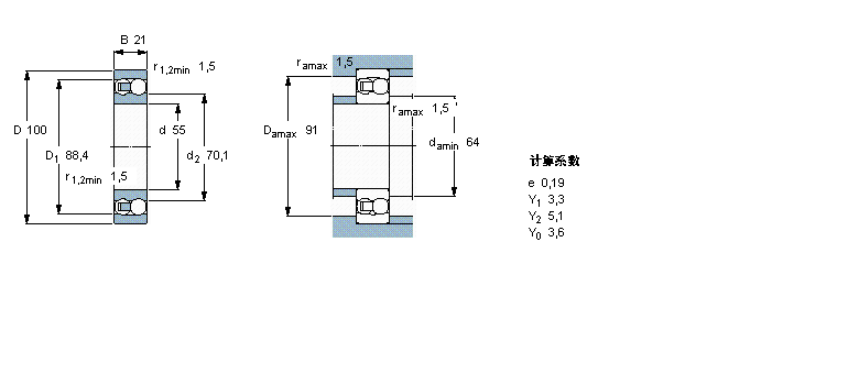
| 主要数据尺寸 | 基本负荷额定值 | 疲劳负荷限值 | 额定速度 | 体积 | 型号 | |||||
| 动态 | 静态 | 参照速度 | 限制速度 | |||||||
| d | D | B | C | C0 | Pu | |||||
|
|
||||||||||
| mm | kN | kN | r/min | kg | - | |||||
|
|
||||||||||
| 55 | 100 | 21 | 27,6 | 10,6 | 0,54 | 14000 | 9000 | 0,71 | 1211 ETN9 | |
我公司特价供应以下型号产品: 22213EAKE4 调心滚子轴承 H3044 紧定套 AN22 N和AN锁定螺母 B25 推力深沟球轴承 5209ANR 角接触球轴承 24152-B 调心滚子轴承 4T-HM911242/HM911210 英制圆锥滚子轴承 BCE66-P 闭式冲压外圈滚针轴承 K42381-42584 圆锥滚子轴承