
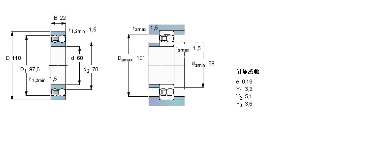
| 自调心球轴承, 圆柱孔和圆锥孔, 圆柱型内孔, 无密封件 | ||||||||||
| 公差 , 参见文字 | ||||||||||
| 径向内部游隙 , 参见文字 | ||||||||||
| 推荐配合 | ||||||||||
| 轴和轴承座公差 | ||||||||||
|
|
||||||||||
| 主要数据尺寸 | 基本负荷额定值 | 疲劳负荷限值 | 额定速度 | 体积 | 型号 | |||||
| 动态 | 静态 | 参照速度 | 限制速度 | |||||||
| d | D | B | C | C0 | Pu | |||||
|
|
||||||||||
| mm | kN | kN | r/min | kg | - | |||||
|
|
||||||||||
| 60 | 110 | 22 | 31,2 | 12,2 | 0,62 | 12000 | 8500 | 0,90 | 1212 ETN9 | |
我公司特价供应以下型号产品: 6313-2Z/VA208 深沟球轴承 3200ATN9 角接触球轴承 NJ2330E.M1 圆柱滚子轴承 16014 深沟球轴承 7309C 角接触球轴承 16028 深沟球轴承 PCJT1-1/4-206 轴承座单元 24126-E1 调心滚子轴承 7036CD 角接触球轴承