
| 自调心球轴承, 圆柱孔和圆锥孔, 圆柱型内孔, 无密封件 | ||||||||||
| 公差 , 参见文字 | ||||||||||
| 径向内部游隙 , 参见文字 | ||||||||||
| 推荐配合 | ||||||||||
| 轴和轴承座公差 | ||||||||||
|
|
||||||||||
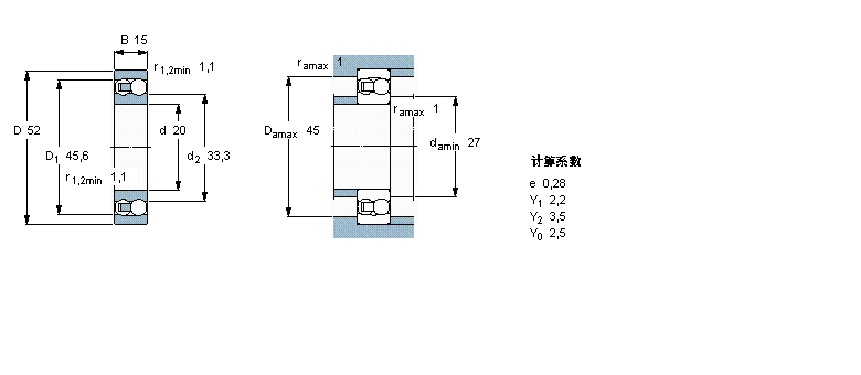
| 主要数据尺寸 | 基本负荷额定值 | 疲劳负荷限值 | 额定速度 | 体积 | 型号 | |||||
| 动态 | 静态 | 参照速度 | 限制速度 | |||||||
| d | D | B | C | C0 | Pu | |||||
|
|
||||||||||
| mm | kN | kN | r/min | kg | - | |||||
|
|
||||||||||
| 20 | 52 | 15 | 14,3 | 4 | 0,21 | 26000 | 18000 | 0,16 | 1304 ETN9 | |
我公司特价供应以下型号产品: ZARF70160LTN 滚针组合轴承 7956DB 角接触球轴承 7038DB 角接触球轴承 NUP1040 圆柱滚子轴承 ZL5204-DRS 螺栓型滚轮 31305DJR 圆锥滚子轴承 7004 角接触球轴承 NN3030-AS-K-M-SP 圆柱滚子轴承 HC7011-E-T-P4S 主轴轴承