
| 自调心球轴承, 圆柱孔和圆锥孔, 圆柱型内孔, 无密封件 | ||||||||||
| 公差 , 参见文字 | ||||||||||
| 径向内部游隙 , 参见文字 | ||||||||||
| 推荐配合 | ||||||||||
| 轴和轴承座公差 | ||||||||||
|
|
||||||||||
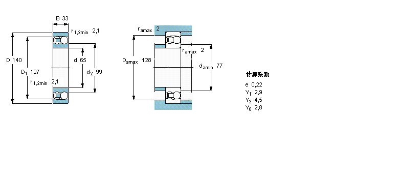
| 主要数据尺寸 | 基本负荷额定值 | 疲劳负荷限值 | 额定速度 | 体积 | 型号 | |||||
| 动态 | 静态 | 参照速度 | 限制速度 | |||||||
| d | D | B | C | C0 | Pu | |||||
|
|
||||||||||
| mm | kN | kN | r/min | kg | - | |||||
|
|
||||||||||
| 65 | 140 | 33 | 65 | 25,5 | 1,25 | 8500 | 6000 | 2,45 | 1313 ETN9 | |
我公司特价供应以下型号产品: 7322CDT 角接触球轴承 YET205-100 Y-轴承 6032ZZ 深沟球轴承 562017 双向推力角接触球轴承 3303B.TVH 角接触球轴承 LHSA4 杆端关节轴承 N411E.M1 圆柱滚子轴承 NN3006 双列圆柱滚子轴承 NJ2209 圆柱滚子轴承