
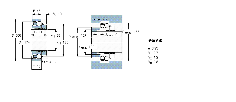
| 自调心球轴承, 带紧定套, 无密封件 | ||||||||||
| 公差 , 参见文字 | ||||||||||
| 径向内部游隙 , 参见文字 | ||||||||||
| 推荐配合 | ||||||||||
| 轴和轴承座公差 | ||||||||||
|
|
||||||||||
| 主要数据尺寸 | 基本负荷额定值 | 疲劳负荷限值 | 额定速度 | 体积 | 型号 | |||||
| 动态 | 静态 | 参照速度 | 限制速度 | 轴承 + 紧定套 | ||||||
| d1 | D | B | C | C0 | Pu | |||||
|
|
||||||||||
| mm | kN | kN | r/min | kg | - | |||||
|
|
||||||||||
| 85 | 200 | 45 | 133 | 51 | 2,16 | 6300 | 4300 | 7,90 | 1319 K + H 319 | |
我公司特价供应以下型号产品: 7214BEGAP 角接触球轴承 1205-K-TVH-C3+H205 自调心球轴承 EE529091D/529157 双内圈圆锥滚子轴承 RNA4872 滚针轴承 24044RR 球面滚子轴承 NF207 圆柱滚子轴承 NJ2210R 圆柱滚子轴承 HSS71917-E-T-P4S 主轴轴承 7908DF 角接触球轴承