
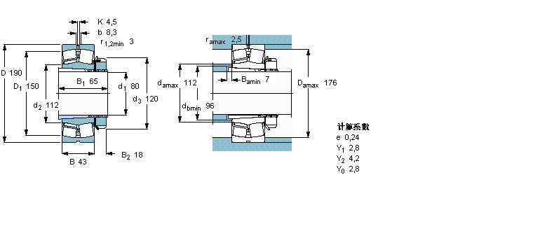
| 球面滚子轴承, 带紧定套的 | ||||||||||
| 公差 , 参见文字 | ||||||||||
| 径向内部游隙 , 参见文字 | ||||||||||
| 推荐配合 | ||||||||||
| 轴和轴承座公差 | ||||||||||
|
|
||||||||||
| 主要数据尺寸 | 基本负荷额定值 | 疲劳负荷限值 | 额定速度 | 体积 | 型号 | |||||
| 动态 | 静态 | 参照速度 | 限制速度 | 轴承 + 紧定套 | ||||||
| d1 | D | B | C | C0 | Pu | |||||
| * - SKF Explorer 轴承 | ||||||||||
|
|
||||||||||
| mm | kN | kN | r/min | kg | - | |||||
|
|
||||||||||
| 80 | 190 | 43 | 380 | 450 | 46,5 | 3600 | 4800 | 7,25 | 21318 EK + H 318 * | |
我公司特价供应以下型号产品: 29236E 球面滚子推力轴承 NJ2232E.M1 圆柱滚子轴承 3880/3821 单列圆锥滚子轴承 UCP201D1 立式带座外球面轴承组件带制动螺钉 SX011820 交叉滚子轴承 NJ230E.M1+HJ230E 圆柱滚子轴承 6908N 深沟球轴承 NJ2219ECJ 圆柱滚子轴承 23232B 调心滚子轴承