
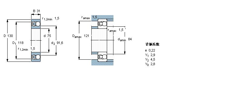
| 自调心球轴承, 圆柱孔和圆锥孔, 圆柱型内孔, 无密封件 | ||||||||||
| 公差 , 参见文字 | ||||||||||
| 径向内部游隙 , 参见文字 | ||||||||||
| 推荐配合 | ||||||||||
| 轴和轴承座公差 | ||||||||||
|
|
||||||||||
| 主要数据尺寸 | 基本负荷额定值 | 疲劳负荷限值 | 额定速度 | 体积 | 型号 | |||||
| 动态 | 静态 | 参照速度 | 限制速度 | |||||||
| d | D | B | C | C0 | Pu | |||||
|
|
||||||||||
| mm | kN | kN | r/min | kg | - | |||||
|
|
||||||||||
| 75 | 130 | 31 | 58,5 | 22 | 1,12 | 9000 | 6300 | 1,60 | 2215 ETN9 | |
我公司特价供应以下型号产品: 24015CC/W33 球面滚子轴承 PBS17 直立式轴承座单元 JHM318448 英制圆锥滚子轴承 2309K+H2309 调心球轴承 7324CDT 角接触球轴承 L44649/L44613 单列圆锥滚子轴承 7302B 角接触球轴承 7309AC/DF 角接触球轴承 61910-RZ 深沟球轴承