
| 自调心球轴承, 圆柱孔和圆锥孔, 圆柱型内孔, 无密封件 | ||||||||||
| 公差 , 参见文字 | ||||||||||
| 径向内部游隙 , 参见文字 | ||||||||||
| 推荐配合 | ||||||||||
| 轴和轴承座公差 | ||||||||||
|
|
||||||||||
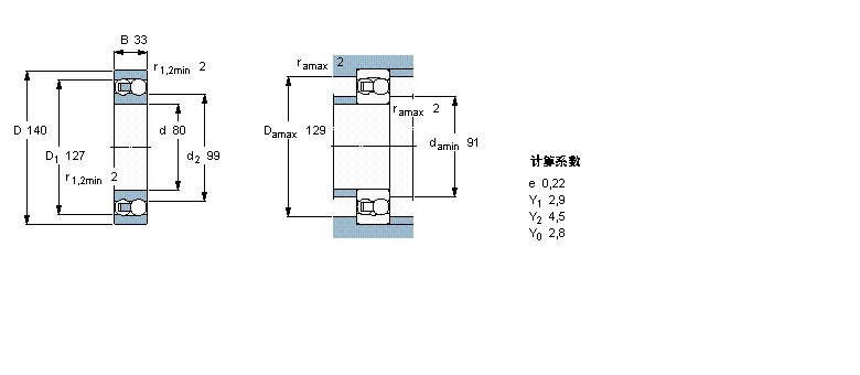
| 主要数据尺寸 | 基本负荷额定值 | 疲劳负荷限值 | 额定速度 | 体积 | 型号 | |||||
| 动态 | 静态 | 参照速度 | 限制速度 | |||||||
| d | D | B | C | C0 | Pu | |||||
|
|
||||||||||
| mm | kN | kN | r/min | kg | - | |||||
|
|
||||||||||
| 80 | 140 | 33 | 65 | 25,5 | 1,25 | 8500 | 6000 | 2,00 | 2216 ETN9 | |
我公司特价供应以下型号产品: HCB71901-E-T-P4S 主轴轴承 BCSB322810 圆柱滚子轴承 135 调心球轴承 GAKL10-PB 杆端轴承 NATV12 支撑型滚轮 2213K+H313 调心球轴承 H209X 紧定套 6304-2RSR 深沟球轴承 NUP238-E-M1 圆柱滚子轴承