
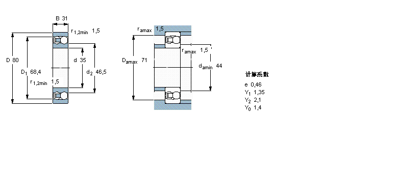
| 自调心球轴承, 圆柱孔和圆锥孔, 圆柱型内孔, 无密封件 | ||||||||||
| 公差 , 参见文字 | ||||||||||
| 径向内部游隙 , 参见文字 | ||||||||||
| 推荐配合 | ||||||||||
| 轴和轴承座公差 | ||||||||||
|
|
||||||||||
| 主要数据尺寸 | 基本负荷额定值 | 疲劳负荷限值 | 额定速度 | 体积 | 型号 | |||||
| 动态 | 静态 | 参照速度 | 限制速度 | |||||||
| d | D | B | C | C0 | Pu | |||||
|
|
||||||||||
| mm | kN | kN | r/min | kg | - | |||||
|
|
||||||||||
| 35 | 80 | 31 | 39,7 | 11,2 | 0,59 | 16000 | 12000 | 0,75 | 2307 EM | |
我公司特价供应以下型号产品: 22324CAK+H2324 调心滚子轴承 22252RHAK+H3152 球面滚子轴承 PCJ30-TV-FA125.5 轴承座单元 BCE3410 闭式冲压外圈滚针轴承 81164 推力滚子轴承 NNU41/670K30M/W33 圆柱滚子轴承 7332AC/DF 角接触球轴承 JM511946/3920 单列圆锥滚子轴承 NU320ECML 圆柱滚子轴承