
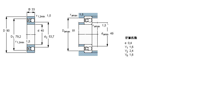
| 自调心球轴承, 圆柱孔和圆锥孔, 圆柱型内孔, 无密封件 | ||||||||||
| 公差 , 参见文字 | ||||||||||
| 径向内部游隙 , 参见文字 | ||||||||||
| 推荐配合 | ||||||||||
| 轴和轴承座公差 | ||||||||||
| 
             | 
        
||||||||||
| 主要数据尺寸 | 基本负荷额定值 | 疲劳负荷限值 | 额定速度 | 体积 | 型号 | |||||
| 动态 | 静态 | 参照速度 | 限制速度 | |||||||
| d | D | B | C | C0 | Pu | |||||
| 
             | 
        
||||||||||
| mm | kN | kN | r/min | kg | - | |||||
| 
             | 
        
||||||||||
| 40 | 90 | 33 | 54 | 16 | 0,82 | 14000 | 10000 | 0,93 | 2308 ETN9 | |
我公司特价供应以下型号产品: 52230-MP 推力深沟球轴承 51418X 推力球轴承 NKS30 滚针轴承 SALA40TXE-2LS 免维护杆端 NU228R 圆柱滚子轴承 SCH2212 开式冲压外圈滚针轴承 GEH12C 免维护径向球面滑动轴承 YAR209-111-2F Y-轴承 6015-2RZ 深沟球轴承