
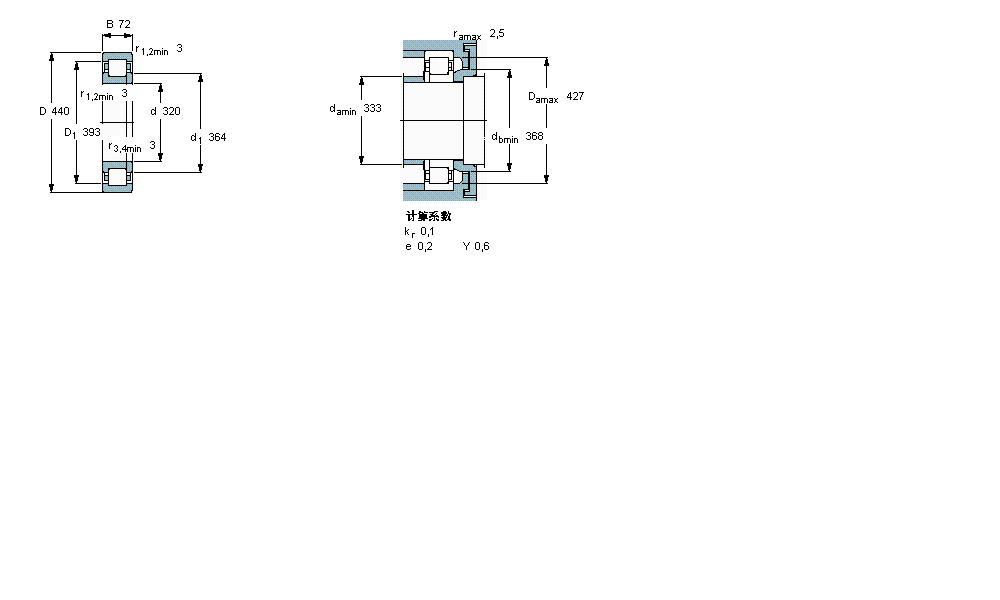
| 圆柱滚子轴承, 单列, NUP 设计 | ||||||||||||
| 公差 , 参见文字 | ||||||||||||
| 径向内部间隙, 圆柱型内孔 , 圆锥型内孔, 无密封件 , 参见文字 | ||||||||||||
| 推荐配合 | ||||||||||||
| 轴和轴承座公差 | ||||||||||||
|
|
||||||||||||
| 主要数据尺寸 | 基本负荷额定值 | 疲劳负荷限值 | 额定速度 | 体积 | 型号 | 适宜的斜挡圈 | ||||||
| 动态 | 静态 | 参照速度 | 限制速度 | 型号 | ||||||||
| d | D | B | C | C0 | Pu | |||||||
|
|
||||||||||||
| mm | kN | kN | r/min | kg | - | - | ||||||
|
|
||||||||||||
| 320 | 440 | 72 | 765 | 1500 | 140 | 1400 | 1400 | 34,5 | 313450 B | - | ||
我公司特价供应以下型号产品: K20X28X20 滚针及保持架组件 RTC325 转台轴承 22218EK 调心滚子轴承 9285/9220D 双外圈圆锥滚子轴承 LRBZ526032 滚针轴承内圈 6816 深沟球轴承 NU214 圆柱滚子轴承 NJ2228E.TVP2+HJ2228E 圆柱滚子轴承 7002C 角接触球轴承