
| 圆柱滚子轴承, 剖分式单列 | |||||||||||
| 公差, 参见文字 | |||||||||||
| 径向内部间隙, 参见文字 | |||||||||||
|
|
|||||||||||
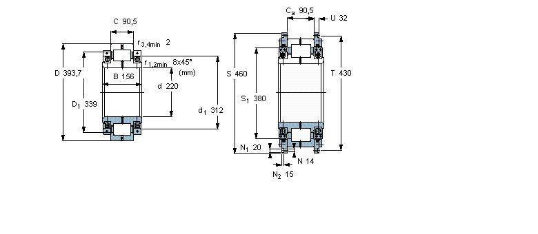
| 主要数据尺寸 | 基本负荷额定值 | 疲劳负荷限值 | 径向内部游隙 | 体积 | 型号 | ||||||
| 动态 | 静态 | ||||||||||
| d | D | B | C | C | C0 | Pu | 最小 | 最大 | |||
|
|
|||||||||||
| mm | kN | kN | mm | kg | - | ||||||
|
|
|||||||||||
| 220 | 393,7 | 156 | 90,5 | 1210 | 1800 | 176 | 0,105 | 0,165 | 90 | 316350 DA | |
我公司特价供应以下型号产品: UC305D1 带座外球面球轴承 22356EW33K 球面滚子轴承 32021JR 圆锥滚子轴承 GBR142216 滚针轴承 GIKL6-PW 杆端轴承 GX17F 免维护球面滑动推力轴承 IRT2515-1 滚针轴承内圈 7206CDF 角接触球轴承 C31/600KMB+AOHX31/600 CARB圆环滚子轴承